

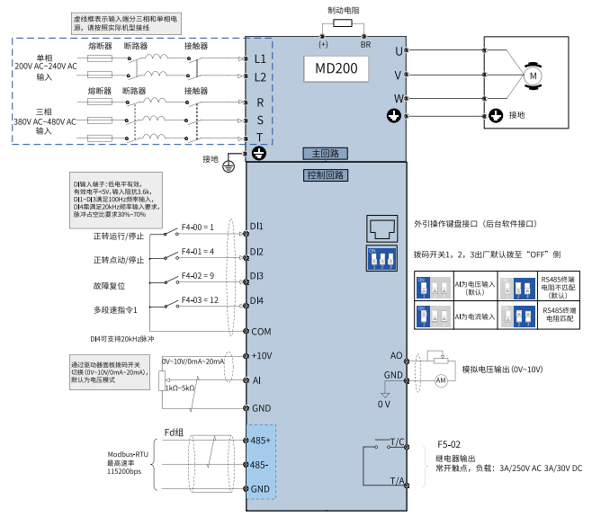
MD200端子接线图

主回路部分:
L1 L2 :220V两相电输入。
U V W :接电机
接地: 接地


R S T :接380V电源
接地: 接地


BR++:制动电阻(当电机反复启停或带大负载时,需接制动电阻。其作用是:电机负载大且停机时,会从电动机变成发电机,产生的电能若不通过制动电阻以热量形式消耗,会导致变频器过流或损坏。)

控制回路部分:
DI1 DI2 DI3 DI4 : 数字量输入端口
COM : 公共端


虚线环: 表示是一个回路。自成一个回路。从DI1出开和关
从COM回,这是一个回路。注意⚠️这里边没有标注电源,
表示变频器里边供电了。有的电路图会标注直流电源。要注意的原因是
当你接PNP或NPN的传感器时,变频器以外的电源,不能与数字量输入端直接
连。会造成混乱或者烧点。这是判断知道变频器是有电源的情况。要连加中间继
电器。再接PNP或NPN传感器。在和变频器相连。

DI1 DI2 DI3 DI4 COM 正转运行/停止 正转点动/停止 故障复位 多段速指令1
F4-00=1 F4-01=4 F4-02=9 F4-03=12
这是什么意思?
任何一个变频器都有默认设置,就是将F4-01参数调成1的时候,它的默认这个点的输入是正转运行,控制电机。这是默认使用。当默认不合适时,去面板找参数去调想用的功能。这是默认设置,是可调可更改的。(数字量输入就是控制电机运行或停止,点动或者停止)

AI : 模拟量输入端口
+10V :
GND :

比如从PLC端,给一个模拟量的输入,来控制电机转速,快慢。(模拟量就是控制电机速度)
485+ 485- : 接485通讯费
GND :一般接屏蔽线(防止信号干扰)
可以通过PLC接485。也可以接触摸屏。

拨码开关 : 三个拨码开关,ON或者OFF(开1或者关0),
100一组功能,表示AI就是电压输入(默认)。AI为电流输入。
100,110,001,等组实现各功能。


外引键盘接口:

AO+GND :模拟量的输出(可以理解成这个变频器一个10V的电源,比如接一个电位器)

T/C+T/A :继电器输出常开触点,负载(可以理解成一个开关,无源开关。)

文章来源于"博涵1" 版权归原作者 如有侵权请联系删除
相关链接:汇川MD200系列变频器:多功能应用详解与故障解决指南
上一页:这已是第一页了
