
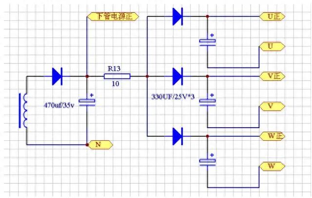
总不停地有人问,采用下面结构样式的驱动电路在没有装模块时测量不到电压或是驱动波形。在这里就一次性的说明一下,如果没有装模块时,只要把如图中的4个电解电容的负极短接,你想测什么就会有什么!总之一句话,不管什么样结构的驱动电路,在不装模块时总是有能测量到驱动电压或波形的方法。可为什么上管的驱动电压在没有装模块时要和N短接?其实图中再明白不过了,在这个电路中,不接到N又如何来形成上三管的驱动电压?因为电容的充电电流必须经过N端才能形成回路!就这么简单。

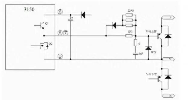
但是,在安装模块后又是如何形成其电流回路呢?很多人自己不仔细想,就知道穷追不舍的问。听了下面的分析,不会再有人觉得啰嗦了。我们再看此种单电源供电电路的典型驱动电路结构,如下图(以V相为例):

看明白没有?因为在同一桥臂V相的上下管中,不可能同时导通,也就是下管导通时上管是关断的,看到了没有,当下管导通时,变压器的绕组经过第一个给下管供电的整流二极管,然后继续通过10欧电阻,再到V相上管供电的整流二极管,到电解电容正端,电解电容负端,导通的V相下管回到N端。这就是正常工作后上管驱动电压的形成过程。如果再说详细一点,开关电源的工作频率是变频器PWM载波的数十倍,也就是说,当在下管导通时,有数十个充电电流向上管驱动电容充电,其能量远远大于上管导通时所消耗的能量(正因为这样,该驱动电路对电解电容容量减小的现象特别敏感,当容量减小时很容易引起驱动不良而导致报故障停机)。
当然它的端电压也由此绕组所决定,正常情况下是和下管驱动电压持平的。所以当没有安装模块时,因上管驱动电路电源的电流回路被断开而无法形成电容正常的充电电流回路。当下管截止,上管导通时,上管驱动电路电解电容的充电电流回路消除,但因电容的储能作用,电解电容负端的电压跟随V相输出电压,因电容两端电压不变,也就是说它的正端电压维持比负端高出原来的电平而能够正常驱动上管导通,这就是电压源(串联)叠加原理的典型应用。上面分析的是正常工作的情况,那么,上电时上管的驱动电压又是如何建立的呢?
据分析,最少可通过三种方法得到解决。一是硬件上的,类似于CPU复位电路,初始上电时给下管一个短暂的高电平驱动脉冲,随之电压降为0使下管截止。二是软件上的,当CPU正常工作后,输出一个只有下三管导通的方波脉冲,使上管驱动电压得以建立。三是不做任何特殊结构,以变频器的工作原理完成上管驱动电压的建立。
当变频器得到启动指令时,上管驱动脉冲由CPU发出,当它驱动光耦后,因光耦次级无工作电压而使上管不导通,但当CPU所发出的下管驱动脉冲驱动光耦时,因下管驱动电压已经建立,下管导通,通过下管的导通而使上管驱动电路的电容形成充电电流回路,从而获得电源电压,当第二个上管脉冲到来时,此时驱动电压已经建立,上管正常导通,自此进入正常的工作状态。这就是为什么像这些驱动电路由单电源供电的变频器,在上电后即可测得P端到三相输出端的电压等于直流母线电压的原因了。另外还有一种情况,是三相输出端到N端的电压等于直流母线电压,说明上管已经导通,这是另外的一种情况,不属于此例分析范围,此处不做分析。