
某台ACS800变频器在上电后,控制面板突然呈现黑屏状态,且无法响应任何操作信号。这一异常现象立即引起了操作人员的注意,因为正常情况下,变频器在通电后会进入待机状态,等待进一步的操作指令。初步判断,这并非简单的开关电源故障,而是更深层次的问题导致的。

深入排查:预充电电路的奥秘
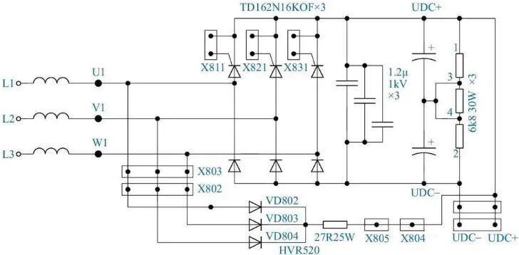
在本案例中,由于预充电电路未能正常工作,导致整流电路无法被激活,进而影响到开关电源的供电,最终使得变频器无法进入待机状态,控制面板也因此黑屏。通过仔细检查预充电电路,技术人员发现其中的限流电阻R27已经损坏,无法执行其应有的充电功能。
针对这一发现,技术人员迅速采取了更换限流电阻的措施。由于电阻损坏往往伴随着外观上的明显变化(如发黑、变色等),因此更换过程相对简单直接。新的限流电阻安装到位后,再次上电测试,变频器立即恢复了正常,控制面板点亮,成功进入待机状态,等待进一步的操作指令。
总结与启示
本案例不仅展示了ACS800变频器预充电电路的重要性,还提醒我们在面对变频器故障时,应注重从系统启动流程入手,逐步排查可能的问题环节。同时,对于关键元器件的定期检查和维护也是确保变频器稳定运行的重要措施之一。通过这次故障处理,我们深刻认识到,在工业自动化领域,每一个细节都关乎设备的整体性能和可靠性。
文章来源于网络 版权归原作者 如有侵权请联系删除
