典型的变频器工频与变频切换控制电路,收藏用得着!
点击数:11597 更新时间:6/5/2023 4:52:28 PM Tag:
变频器工频与变频切换
实际在变频调速系统运行过程中,如果变频器或负载突然出现故障,若让负载停止工作可能会造成很大损失,为了这个问题,可给变频调速系统增设工频与变频切换功能,在音频器出现故障时自动将工频电源切换给电动机,以让系统继续工作。另外某些电路中要求启动时用变频工作,而在正常工作是工频工作,因此可以用工频与变频切换电路完成还可以利用报警电路配合,在故障时输出报警信号。对于工作模式的参数设定,需要参看使用。
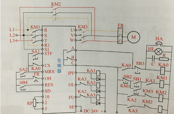
下图所示是一个典型的工频与变频切换控制电路,该电路在工作前需要先对一些参数进行设置:

启动准备,将开关SA3闭合,接通MRS端子,允许进行工频变频切换。由于已设置Pr。135=1是切换有效,IPE、FU端子输出低电平,中间继电器KA1、KA3线圈得电,KA3线圈得电-——KA3常开触点闭合——交流接触器KM3线圈得电——KM3主触点闭合,KM3常闭辅助触点断开——KM3 主触点闭合将电动机与变频器端子连接,KM3常闭辅助触点断开时KM2线圈无法得电,实现KM2、KM3之间互锁(KM2、KM3线圈不能同时得电),电动机无法由变频和工频同时供电,KA1线圈得电——KA1常开触点闭合,为KM1线圈得电做准备——按动按钮开关SB1——KM1线圈得电——KM1主触点、常开辅助触点均闭合——KM2主触点闭合,为变频器供电,KM1常开辅助触点闭合,锁定KM1线圈得电。 启动运行。将开关SA1闭合,STF端子输入信号(STF端子经SA1、SA2与SD端子接通),变频器正转启动,调节电位器RP可以对电动机进行调速控制。
当变频器运行中异常,异常输出端子A、C接通,中间继电器KA0线圈得电,KA0常开触点闭合,振铃HA和报警灯HL得电,发出声光报警,与此同时,IPF、FU端子变为高电平,OL端子变为低电平,KA1、KA3线圈失电,KA2线圈得电。KA1 、KA3线圈失电——KA1、KA3常开触点断开——KM1 、KM3线圈失电——KM1、KM3主触点断开——变频器与电源——电动机断开。KA2线圈得电——KA2常开触点闭合——KM2线圈得电——KM2主触点闭合——工频电源直接提供给电动机(注明:KA1、KA3线圈失电与KA2线圈得电并不是同时进行的,有一定的切换时间,它与Pr.136、Pr137设置有关)。
按动按钮开关SB3可以解除声光报警,按动按钮开关SB4,可以解除变频器的保护输出状态,若电动机在运行时出现过载,与电动机串联的热继电器FR发热元件动作,使FR常闭触点断开,切断OH端子输入,变频器停止输出,对电动机进行保护。
1、启动准备,按动按钮开关SB2-交流接触器KM线圈得电-KM主触点和2个辅助触点常开触点均闭合——KMKM主触点闭合为变频器接通主电源,一个KM常开辅助触点闭合锁定KM线圈得电,另一个KM常开辅助触点闭合为中间继电器KA1、KA2线圈得电做准备。
2、正转控制。按动将开关SB4——继电器KA1线圈得电——KA1的1个常开触点断开,3个触点闭合——KA1的常闭触点断开使KA2线圈无法得电,KA1的3个常开触点接通,相当于STF单子输入正转控制信号,变频器U、V、W端子输出正转电源电压,驱动电动机正向运转。调节端子10、2、5外接电位器RP,变频器输出电源频率会发生改变,电动机转速也随之变化。3、停止控制,按动按钮开关SB3——继电器KA1线圈失电——3个KA常开触点均断开,其中1个常开触点断开切断STF、SD端子的连接,变频器U、V、W单子输出反转电源电压,驱动电动机反转运行。4、反转控制,按动开关SB6——继电器KA2线圈得电——KA2的1个常闭触点断开,3个常开触点闭合——KA2的常闭触点断开使KA1线圈无法得电,KA2的3个常开触点闭合分贝锁定KA2线圈得电,短接按钮开关SB1和接通STR、SD端子——STF、SD单子接通,相当于STR端子输入反转控制信号,变频器U、V、W端子输出反转电源电压,驱动电动机反向运转。5、变频器异常保护。若变频器运行期间出现异常或故障,变频器B、C端子间内部等效的常闭开关断开,交流接触器KM线圈失电,KM主触点断开,切断变频器输入电源,对变频器进行保护。

相关链接:汇川MD500变频器维修如何切换两组电机参数?